The FmtS is a robust high precision force transducers. The FmtS is manufactured with an "epoxy bonding" process.
Typical applications for the FmtS range from computer labs, industrial equipment, remotely piloted vehicles, payload control, and military equipment such as computer based training systems. The rugged design means that they will provide reliable service for extended periods, backed by a two year warranty.
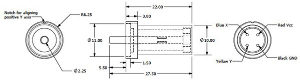
The FmtS produces an output based on the force applied in either the lateral or longitudinal axis.
The FmtS is also available with a pushbutton feature making it ideal for cursor control and target designation. These are available in the epoxy version with p/n FmtS-PB-xxx
External casing is stainless steel. Output shaft is a 2.2mm hardened stainless steel onto which a variety of knobs can be mounted.
The force applied to the transducer is measured by silicon strain gauges mounted as a bridge. It provides output voltage through a signal conditioning amplifier. The centering repeatability error is less than 0.5%.
With no moving parts the life of the mechanical system has no limit when mounted and used correctly.
The standard is a hat style anodized aluminum knob. See the options tab for details.
The FmtS transducers carry a 2 year warranty.
Vcc
Output
Center Voltage
Output Current
Supply Current
Sensitivity
Power Dissipation
Null Temperature Coeff
Resistance
Resolution
Linearity at 25°C
Weight
Length
Below Panel
Diameter
Shaft Diameter
Activation Force
Operating Temperature
Storage Temperature
Operating Humidity
Color
Red
Black
Blue
Yellow
5.00 vDC (12 vDC Max)
38% - 62% Vcc (+/- 2%)
50% Vcc (+/- 1.0%)
10 mA (at 5.00 vDC)
15 mA (at 5.00 vDC)
0.05 V/N @ 5.00 vDC +/- 10%
0.06 mW (at 5.00 vDC)
+/- 0.0003 V/C (at 5.00 vDC)
400 Ohm +/- 40 Ohm
Infinite
< 1.5 %
0.11 g
27.5 mm
18.2 mm
12.5 mm
10.0 mm
+/- 6 lb in each axis max
-70° C to 80° C
-70° C to 90° C
95% Rh at 40° C
Function
Vcc (+ve supply)
GND (-ve supply)
X Axis (+ right)
Y Axis (+ up)
Max Diameter 14.0 mm
Height 11.7 mm
Depth 6.0 mm

Max Diameter 19.0 mm
Height 11.0 mm
Depth 2.8 mm

Max Diameter 19.0 mm
Height 11.1 mm
Depth 2.4 mm

Max Diameter 19.0 mm
Height 11.1 mm
Depth 3.0 mm

Max Diameter 24.0 mm
Height 9.4 mm
Depth 1.0 mm

Max Diameter 21.05 mm
Height 8.95 mm
Depth 4.0 mm
